Установка УДВ-3A300Н-100. Информация для проектировщиков
Комплект поставки
Комплектность установки, инструменты и принадлежности, необходимые для контроля и выполнения работ по техническому обслуживанию установки и её составных частей, а также количество запасных частей и принадлежностей
- Камера обеззараживания — 1 шт.
- Пульт управления — 1 шт.
- Упаковка — 1 шт.
- Комплект промывочный
- Насос промывочный — 1 шт.
- Шланг Ду 25 — 1 шт. (5 метров)
- Хомут червячный Ø30 — 4 шт.
- Инструменты и принадлежности
- Пакеты с моющим средством — 6 шт. (1 пакет — 50 г)
- Датчик УФ излучения (IS-4) — 1 шт. (Установлен на камере обеззараживания)
- Приспособление для установки чехла — 1 шт.
- Ключ S65 — 1 шт.
- Ключ для пульта управления — 1 шт.
- Запасные части
- Прокладка уплотнительная 51х38х10 ЛИТ НР 00.00.139 — 2 шт.
- Кольцо центрирующее ЛИТ НР 00.00.133 — 1 шт.
- Кольцо центрирующее ЛИТ НР.00.00.170 — 1 шт.
- Лампа ДБ 300Н — 1 шт.
- Эксплуатационная документация
- Паспорт установки с комплектом электрических схем — 1 шт.
- Паспорт датчика УФ излучения — 1 шт.
| Наименование показателей | Ед. изм. | УДВ-3А300Н-100 | |||
|---|---|---|---|---|---|
| Вода из поверхностного источника | Вода из подземного источника | Вода, прошедшая глубокую очистку | Сточная вода | ||
| Производительность установки | м3/ч | 39 | 53 | 76 | 20 |
| Доза УФ облучения, не менее | мДж/см2 | 25 | 25 | 25 | 30 |
| Потери напора в установке за счет гидравлического сопротивления, не более | см вод. ст. | 26 | 49 | 98 | 7 |
| Минимальный и максимальный расходы | м3/ч | 6..80 | |||
| Условный диаметр входного и выходного патрубков камеры обеззараживания (Ду) | мм | 100 | |||
| Рабочее давление в камере обеззараживания, не более | МПа (бар) | 1 (10) | |||
| Разрежение в камере обеззараживания, не более | МПа (бар) | -0,01 (-0,1) | |||
| Тип лампы | ДБ 300Н | ||||
| Количество ламп в камере | шт. | 3 | |||
| Срок службы лампы, не менее | ч | 12 000 | |||
| Количество включений/выключений в течение срока службы, не более | 1 000 | ||||
| Напряжение питания | В | 220±10% | |||
| Частота питающего напряжения | Гц | 50 | |||
| Потребляемая мощность, не более — камера обеззараживания и пульт управления — насос промывочный | Вт | 840 250 | |||
| Коэффициент мощности, не менее | 0,96 | ||||
| Тепловыделение в пульте управления, не более | Вт | 91 | |||
| Габариты: — камера обеззараживания — пульт управления — насос промывочный | мм | 1231x351x388 600x252x800 512x210x345 | |||
| Масса, не более — камера обеззараживания — пульт управления — насос промывочный | кг | 32 40,5 6 | |||
| Объем камеры обеззараживания | дм3 | 22 | |||
УДВ-3A300Н-100. Габаритный чертеж камеры обеззараживания
УДВ-3A300Н-100. Габаритный чертеж пульта управления
УДВ-3A300Н-100. Пример монтажа установки
Описание: 1. корпус камеры обеззараживания; 2. пульт управления; 3. насос промывочный.
Примечание: 1. Расположение пульта управления 2 и блока промывки 3 относительно камеры обеззараживания 1 показано условно.
2. Зона извлечения ламп показана условно, так как демонтаж лампы может осуществляться как влево, так и вправо.
3. Лампа в камере может располагаться цоколем со штырьковыми контактами вправо (подвод лампового кабеля справа) или цоколем со штырьковыми контактами влево (подвод лампового кабеля слева).
УДВ-3A300Н-100. Монтаж пульта управления" remark="Монтаж пульта управления в ограниченном пространстве не допускается. Ко всем поверхностям пульта управления должен быть обеспечен свободный доступ воздуха
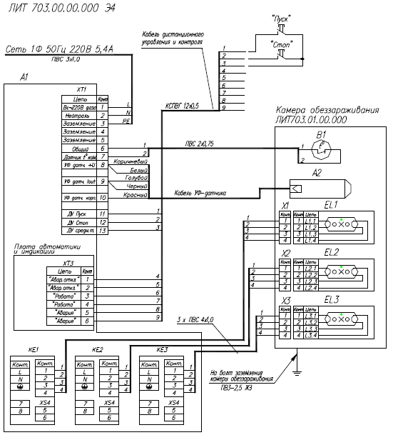
УДВ-3A300Н-100. Схема электрических соединений
Описание: A1. Пульт управления ЛИТ 702.12.00.000; A2. Датчик интенсивности IS-4 с кабелем; B1. Термостат 2455R-55/45 Honeywell; EL1–EL3. Лампа бактерицидная ДБ 300Н; X1–X3. Розетка 4-х контактная керамическая PPFE JP147 LIGHTTECH (6,3х9,7).
