Схемы жироуловителей серии СТК
Стандартная высота технического колодца — 1800 мм, но в зависимости от глубины заложения подводящего коллектора может быть изменена. Максимально допустимая высота — 3000 мм.
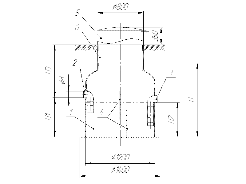
Монтажные схемы жироуловителей серии СТК

Описание: 1. Корпус; 2. Патрубок входной; 3. Патрубок выходной; 4. Перегородка; 5. Люк.

Описание: 1. Корпус; 2. Патрубок входной; 3. Патрубок выходной; 4. Перегородка; 5. Люк; 6. Колодец технический.

Описание: 1. Корпус; 2. Патрубок входной; 3. Патрубок выходной; 4. Перегородка; 5. Люк.

Описание: 1. Корпус; 2. Патрубок входной; 3. Патрубок выходной; 4. Перегородка; 5. Люк; 6. Колодец технический.

